哈希游戏(其前身为香港恒昌冷气工程公司,于1978年在香港建设)隶属于恒星集团,专业从事空调及冷冻工程,专注于宾馆旅馆、超市、办公大楼、工厂、养殖及莳植业、医院学校、体育运动等场合工程项目的策划、设计及施工。公司拥有一批营业专业、手艺过硬、履历富厚的手艺团队、设计团队和施工团队。公司不但拥有《修建机电装置工程专业贰级》、《清静生产允许证》资质证书,并通过《ISO9001》治理系统和《ISO14001》情形治理双认证。
公司依托总公司恒星集团在空调制冷制造领域的高端手艺,集开发、设计、制造、施工为一体,产品不但清静、环保、节能,并能量身定制以知足客户个性化需求。
公司秉持“搭建一个共赢的社会平台,与人共舞”的焦点理念,让客户因我而差别的价值看法,诚信、自信、敬业、专业、与时俱进,一直开拓立异,始终如一为客户提供质量可靠、节能环保、高度集成的一体化工程。
一、哈希游戏大型特色项目:
1、综合商业中心项目:总修建面积?35万㎡,是集阛阓、旅馆、办公楼、住宅为一体的综合性商业圈。该项接纳了焓差控制法,在包管清静、节能的条件下,大大镌汰装备设置和运行用度,节约项目本钱达30%以上。
实景图
楼顶空调机房装备
机房图
分集水器
2、大型农业莳植项目:依据我方的全心策划、设计与施工,接纳案采清洁能源、高度集成、清静高效、环保节能的产品,不但项目效果比古板计划优良,并为客户降低项目的投资和营运本钱达40%。
实景图
机房图
机房图
机房图
>3、牛奶行业新型工厂项目:主要包括奶粉车间和液奶车间,修建面积划分为1.3万m2、1.8万m2。本项目冷水机组接纳大温差手艺设计(8~10℃),制冷机组整体效率提高7.5%,降低水泵功率32%和配套工程造价30%,从而为客户节能器冬季节能40%。
机房图
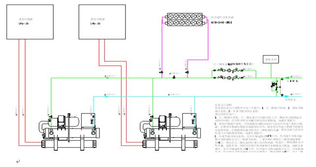
系统图
二、相助模式及服务:
以相助生长、信守诚信、共图生长、携手共进,相助共赢为原则。
1、与哈希游戏相助只要提供项目讯息,哈希游戏全权认真项目跟进,利润中分;
2、哈希游戏专人认真跟踪、客户考察、计划制作、营业洽谈、项目报价等历程;
3、哈希游戏对接客户,哈希游戏投资;
4、后续服务哈希游戏全程认真;
5、与哈希游戏相助的优势:实力雄厚 资质齐全。
联系方法
蒋司理 13825102550
黄小姐 13427594033





